1972 Fj40 Wiring Diagram
Favorite this post Jul 5 Metal Trailer Hitch Cover - NFL New England Patriots Oval - New. El Club de Diagramas es dónde los técnicos intercambian y comparten diagramas manuales de servicio y todo archivo de información técnica útil para las reparaciones electrónicas.
Coolerman S Electrical Schematic And Fsm File Retrieval
The last year that it was 100 Toyota Land Cruiser the FJ80 still turns heads.
1972 Fj40 Wiring Diagram. Custom Aftermarket AC Systems Factory Replacement AC and Heater Parts for Hot Rods and Classic or Vintage Cars and Trucks including. We had a chance to test out the new three-row 2021 Jeep Grand Cherokee L both on paved roads and off-road in the Chelsea Proving Grounds. 15 Broomfield - Metal Trailer Hitch Cover - NFL New England Pat pic hide this posting restore restore this posting.
These alternators would be found on 179-983 FJ40 and 880-887 FJ60 2F engines. We would like to show you a description here but the site wont allow us. 1994 Toyota Landcruiser FJ80.
FJ80 FZJ80 HDJ80 HZJ81 Control Arm Drop Brackets 6 Front with OME Caster Bushings 1972 FJ40 3FE Conversion 4spd manual trans.

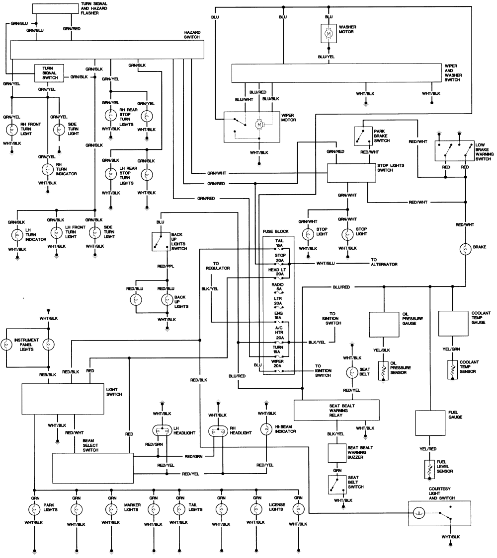
Fj40 Wiring Diagrams Ih8mud Forum

Diagram 2005 Toyota Land Cruiser Wiring Diagram Original Full Version Hd Quality Diagram Original Diydiagram Festivalsportintegrato It

Toyota Fj40 Wiring Diagrams Car Electrical Wiring Diagram

Fj40 Wiring Diagrams Ih8mud Forum
1971 Fj40 Wiring Diagram Ih8mud Forum

Fj40 Wiring Diagrams Ih8mud Forum

Toyota Fj40 Wiring Diagrams Car Electrical Wiring Diagram

Toyota Fj40 Wiring Diagrams Car Electrical Wiring Diagram

Fj40 Wiring Diagrams Ih8mud Forum
Coolerman S Electrical Schematic And Fsm File Retrieval
Coolerman S Electrical Schematic And Fsm File Retrieval

Fj40 Wiring Diagrams Ih8mud Forum

1972 1973 Toyota Fj40 Color Wiring Diagram Classiccarwiring

Toyota Fj40 Wiring Diagrams Car Electrical Wiring Diagram

Amazon Com Full Color Laminated Wiring Diagram Fits 1972 1973 Toyota Fj40 Large 11 X 17 Size Automotive

Fj40 Wiring Diagrams Ih8mud Forum

Comments
Post a Comment